Products
| 產品型號 Model | FPD-0A07 |
| 動作方式 Action way | 先導式 Pilot type |
| 型式 Type | 常閉式 NC |
| 工作壓力 Working pressure | 0.02Mpa-0.8Mpa |
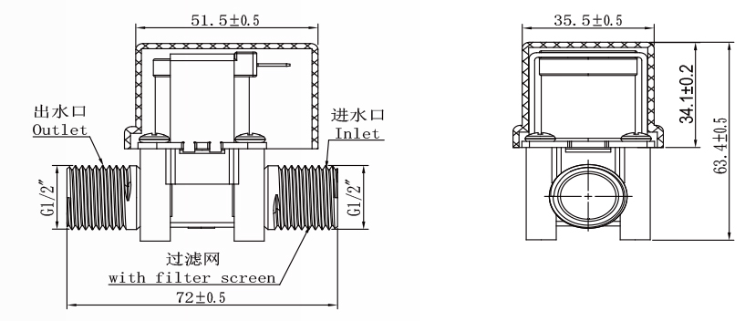
| 進水口連接方式 Input connection way | 4分外螺 G1/2'' external threads |
| 出水口連接方式 Output connection way | 4分外螺 G1/2'' external threads |
| 使用介質 Applicable medium | 水 water |
| 閥體材質 Valve body material | 塑料閥體 Plastic valve body |
| 介質溫度 Medium temperature | 0-80℃ |
| 環境溫度 Environment temperature | 0-50℃ |
| 額定電負荷 Electrical rating | AC220V,0.02A/ DC6V,0.6A/ DC9V,0.4A/ DC12V,0.3A/ DC24V,0.15A |
| 額定電負荷變化范圍 Variable voltage of supply voltage | -10%~+10% |
| 絕緣電阻 Insulation resistance | DC500V兆歐表歷時1min后絕緣電阻應≥100MΩ Tested by DC500V megohmmete for 1 min, the insulation resistance should ≥100MΩ |
| 水密性能 Watertigh performance | 靜水壓0.02Mpa,泄漏量<0.1ml/min 靜水壓0.03-0.8Mpa,泄漏量0ml/min Hydrostatic pressure 0.02Mpa, leakage ratio <0.1mL/min, Hydrostatic pressure 0.03-0.8Mpa, leakage ratio 0 mL/min |
| 耐水壓 Hydraulic pressure withstand | 靜水壓1.2Mpa,歷時5min,無破裂、變形、外部漏; withstand hydrostatic pressure of 1. 2 Mpa for 5min, no unbroken, deformation or outside leakage |
| 可靠性 Reliability | 0.02-0.8Mpa,通、斷各10S持續1h,單向止回閥不直通,無卡死等; 0.02-0.8Mpa, make and break for 10s respectively, lasting 1hr, the check valve should be unblocked |
| 流量特性 Flow characteristic | 壓力0.02Mpa,流量3L/min,流量;壓力0.1Mpa,流量8L/min;壓力0.3Mpa,流量13L/min;壓力0.8Mpa,流量25L/min Pressure 0.02Mpa, Flux 3L/min, Pressure 0.1Mpa, Flux 8L/min. Pressure 0.3pa, Flux 13L/min. Pressure 0.8Mpa, Flux 25L/min |
| 層間絕緣 Across layers insulation | 高壓脈沖2S后應正常; Withstand high ovltage pulse for 2s, it should be normal |
| 連續通電 Continuously energized | 通電12H,不通水,閥體不變形,線圈不燒壞; Energize for 12hrs, but not connect through the water, the valve should be no deformation, and the coil should not be burned |
| 耐電壓 Withstand voltage | 導電部分與外露非帶電金屬部分之間應能承受,AC1500V,50HZ,歷時1min無閃絡,不擊穿;AC1800V,50HZ,歷時1S無閃絡,不擊穿; The acceptable high-voltage power between electric conduction and outer without electrified metal withstand AC1500V 50HZ for 1min, no flashover or breakdown. withstand AC1800V, 50HZ for 1s, no flashover or breakdown |
| 止回功能 Non-return function | 無 No |
| 過濾功能 Filtering function | 帶過濾網 with filter screen |
| 線圈與閥體角度 Angle between coil and valve body | 270° / 180° / 90° / 0° |
| 電源連接方式 Power supply connection way | M3螺絲固定 / 6.3插片 fixed with M3 screw / #6.3 bolt terminal |
| 使用壽命 Life Expectancy | ≥10萬次 ≥100K cycles |
| 保證期限 Guarantee Period | 正常使用情況下,本公司的保證期限為12個月 Under the normal use conditions,the quality warranty period for our goods is 12 months |
FPD-0A07
Swipe left and right more

| 產品型號 Model | FPD-0A07 |
| 動作方式 Action way | 先導式 Pilot type |
| 型式 Type | 常閉式 NC |
| 工作壓力 Working pressure | 0.02Mpa-0.8Mpa |
| 進水口連接方式 Input connection way | 4分外螺 G1/2'' external threads |
| 出水口連接方式 Output connection way | 4分外螺 G1/2'' external threads |
| 使用介質 Applicable medium | 水 water |
| 閥體材質 Valve body material | 塑料閥體 Plastic valve body |
| 介質溫度 Medium temperature | 0-80℃ |
| 環境溫度 Environment temperature | 0-50℃ |
| 額定電負荷 Electrical rating | AC220V,0.02A/ DC6V,0.6A/ DC9V,0.4A/ DC12V,0.3A/ DC24V,0.15A |
| 額定電負荷變化范圍 Variable voltage of supply voltage | -10%~+10% |
| 絕緣電阻 Insulation resistance | DC500V兆歐表歷時1min后絕緣電阻應≥100MΩ Tested by DC500V megohmmete for 1 min, the insulation resistance should ≥100MΩ |
| 水密性能 Watertigh performance | 靜水壓0.02Mpa,泄漏量<0.1ml/min 靜水壓0.03-0.8Mpa,泄漏量0ml/min Hydrostatic pressure 0.02Mpa, leakage ratio <0.1mL/min, Hydrostatic pressure 0.03-0.8Mpa, leakage ratio 0 mL/min |
| 耐水壓 Hydraulic pressure withstand | 靜水壓1.2Mpa,歷時5min,無破裂、變形、外部漏; withstand hydrostatic pressure of 1. 2 Mpa for 5min, no unbroken, deformation or outside leakage |
| 可靠性 Reliability | 0.02-0.8Mpa,通、斷各10S持續1h,單向止回閥不直通,無卡死等; 0.02-0.8Mpa, make and break for 10s respectively, lasting 1hr, the check valve should be unblocked |
| 流量特性 Flow characteristic | 壓力0.02Mpa,流量3L/min,流量;壓力0.1Mpa,流量8L/min;壓力0.3Mpa,流量13L/min;壓力0.8Mpa,流量25L/min Pressure 0.02Mpa, Flux 3L/min, Pressure 0.1Mpa, Flux 8L/min. Pressure 0.3pa, Flux 13L/min. Pressure 0.8Mpa, Flux 25L/min |
| 層間絕緣 Across layers insulation | 高壓脈沖2S后應正常; Withstand high ovltage pulse for 2s, it should be normal |
| 連續通電 Continuously energized | 通電12H,不通水,閥體不變形,線圈不燒壞; Energize for 12hrs, but not connect through the water, the valve should be no deformation, and the coil should not be burned |
| 耐電壓 Withstand voltage | 導電部分與外露非帶電金屬部分之間應能承受,AC1500V,50HZ,歷時1min無閃絡,不擊穿;AC1800V,50HZ,歷時1S無閃絡,不擊穿; The acceptable high-voltage power between electric conduction and outer without electrified metal withstand AC1500V 50HZ for 1min, no flashover or breakdown. withstand AC1800V, 50HZ for 1s, no flashover or breakdown |
| 止回功能 Non-return function | 無 No |
| 過濾功能 Filtering function | 帶過濾網 with filter screen |
| 線圈與閥體角度 Angle between coil and valve body | 270° / 180° / 90° / 0° |
| 電源連接方式 Power supply connection way | M3螺絲固定 / 6.3插片 fixed with M3 screw / #6.3 bolt terminal |
| 使用壽命 Life Expectancy | ≥10萬次 ≥100K cycles |
| 保證期限 Guarantee Period | 正常使用情況下,本公司的保證期限為12個月 Under the normal use conditions,the quality warranty period for our goods is 12 months |




khancn3
