產品中心
Products
SC505
左右滑動查看詳情
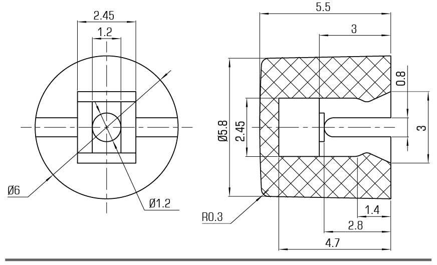
※ SC505
SC5鍵帽系列內孔為2.4×2.4配6×6方頭輕觸開關 | |
| 可選顏色: | 白色 , 灰色 , 黑色 , 紅色 |
| 訂單起訂量: | 1000只 |
※ 尺寸圖

| 戴帽總高 | 9.7 | 10 | 10.2 |
| 開關高度 | 7 | 7.3 | 7.5 |




