※ 技術特性
| 額定電負荷 | 50mA , DC12V |
| 接觸電阻 | ≤100mΩ |
| 絕緣電阻 | ≥100MΩ |
| 絕緣強度 | AC250V for 1 Minute |
壽命
| 30,000 |
| 行程 | 0.25mm±0.1mm |
TSA36251
左右滑動查看詳情
※ TSA36251
工作方式:
| 瞬時接觸 |
接觸方式:
| 單刀單擲 , 常開 |
安裝方式:
| 臥式插式
|
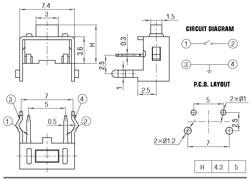
※ 尺寸圖

※ 技術特性
| 額定電負荷 | 50mA , DC12V |
| 接觸電阻 | ≤100mΩ |
| 絕緣電阻 | ≥100MΩ |
| 絕緣強度 | AC250V for 1 Minute |
壽命
| 30,000 |
| 行程 | 0.25mm±0.1mm |